AOP tekerlek flanş yağlama pompası
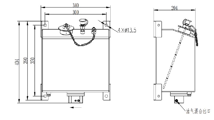
Pompa, pompa ünitesinde önceden ayarlanmış hacim ile homojenize yağlayıcıyı ölçerek çalışır. Taşıma ortamı olarak sıkıştırılmış havayı kullanarak, yağlayıcıyı, tekerlek flanşına eşit olarak uygulandığı sprey nozullarına akış distribütörleri aracılığıyla gönderir. Sistem, hem yağlayıcı hem de basınçlı havayı iletmek için sadece tek bir hat gerektirir.
Çıkış hatlarındaki akış koşulları benzer olduğunda, hava-yağlayıcı karışımı akış distribütörü içinde eşit olarak bölünür. Komple sistem bir tank, bir piston pompası, akış distribütörleri ve ilgili püskürtme nozullarından oluşur. Tüm hareketli bileşenler, kolay erişim ve değiştirmeyi kolaylaştıran yağlama modülüne entegre edilmiştir. Akış distribütörleri ne de püskürtme nozulları hareketli parçalar içermediğinden, bakım süresi ve maliyetleri önemli ölçüde azalır.
CN
EN
ru
fr
de
es
pt
ar
hi
id
tr
it
pl
nl

